產品名稱:
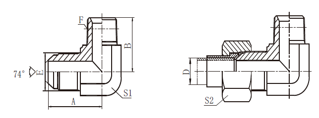
公制外螺紋74°/布錐管外螺紋 90°彎接頭
產品系列搜索
請選擇您想要尋找的相關產品系列
產品描述

| 訂貨號 | 螺 紋 | 硬管外徑 | 尺 寸 | |||||||||
| E | F | D | A | B | S1 | S2 | ||||||
| AQN-14-02/9 | M14X1.5 | Z1/8"X27 | 8 | 30.2 | 23.5 | 14 | 17 | |||||
| AQN-14-04/9 | M14X1.5 | Z1/4"X18 | 8 | 30.2 | 25.5 | 14 | 17 | |||||
| AQN-16-04/9 | M16X1.5 | Z1/4"X18 | 10 | 32 | 26.5 | 16 | 19 | |||||
| AQN-16-06/9 | M16X1.5 | Z3/8"X18 | 10 | 32 | 30 | 16 | 19 | |||||
| AQN-18-04/9 | M18X1.5 | Z1/4"X18 | 12 | 34 | 28.7 | 19 | 22 | |||||
| AQN-18-06/9 | M18X1.5 | Z3/8"X18 | 12 | 34 | 31 | 19 | 22 | |||||
| AQN-22-06/9 | M22X1.5 | Z3/8"X18 | 14 | 37.5 | 32.5 | 22 | 27 | |||||
| AQN-22-08/9 | M22X1.5 | Z1/2"X14 | 14 | 37.5 | 36.7 | 22 | 27 | |||||
| AQN-27-12/9 | M27X1.5 | Z3/4"X14 | 18 | 41.5 | 44 | 27 | 32 | |||||
| AQN-30-12/9 | M30X1.5 | Z3/4"X14 | 20 | 45.8 | 45 | 30 | 36 | |||||
| AQN-39-16/9 | M39X2 | Z1"X11.5 | 28 | 55.5 | 54.5 | 41 | 46 | |||||
| AQN-45-16/9 | M45X2 | Z1"X11.5 | 34 | 62.5 | 58.5 | 48 | 55 | |||||
| AQN-45-20/9 | M45X2 | Z1.1/4"X11.5 | 34 | 62.5 | 58.5 | 48 | 55 | |||||
| AQN-45-24/9 | M45X2 | Z1.1/2"X11.5 | 34 | 62.5 | 63 | 48 | 55 | |||||
注:如需帶襯套及螺母整套訂貨,則請在代號后加/A,如AQN-22-08/A。